
產品名稱:背筋增強裝飾板(干掛)外保溫系統
產品描述
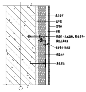
由背筋增強裝飾板、連接件、金屬構架、保溫材料、膨脹錨栓、嵌縫材料和密封膠等材料構成,安裝在建筑外墻外表面不承擔主體結構荷載與作用的構造總稱,簡稱背筋裝飾板外保溫系統。
背筋增強裝飾板采用纖維增強水泥板作為裝飾面板,裝飾板背面一側與背筋直接連接或通過轉接件連接,其背筋或背筋的轉接件在工廠與裝飾板通過緊固件可靠連接。背筋與裝飾板的單點受拉承載力不小于900N,每平方不少于10-12個。
優勢介紹:
1、背筋增強裝飾板(干掛)外保溫系統可應用于建筑高度100米。
2、適用于裝配式建筑、人員集中區域、公共建筑、新建、改(擴)建外墻外保溫工程以及既有建筑的節能改造工程。
3、防火性能更好:A級防火;
4、安全系數更高:背筋增強裝飾板與主體結構采用機械連接;
5、強度更強:抗拉、抗壓、抗沖擊強度更強;
6、性價比更高;節能效果明顯,裝飾效果多樣、大氣美觀;
7、項目周期短:工廠標準化生產,吊籃施工作業快,現場裝配工序少。